
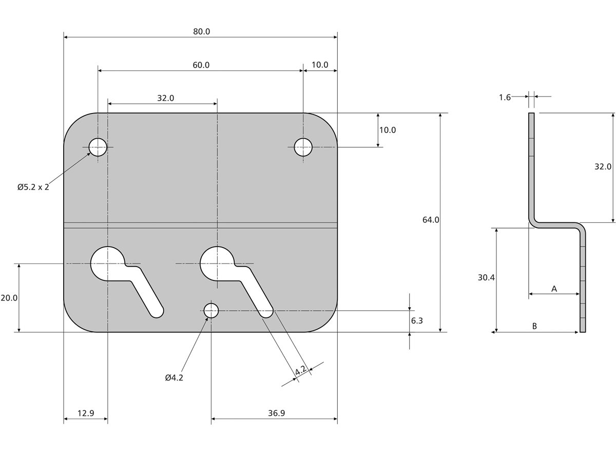
Die Accuride 0115-BRKT Montagewinkel für Schiebetüren lassen sich mit den DA0115RC Linearführungen mit Kugellauf kombinieren.
- Wird mit DA0115RC Schiene und Kugelumlaufwagen verwendet
- Maximales Türgewicht 130 kg
- 3 Optionen für Türdicken bis zu 40 mm*
- Montagewinkel werden paarweise und ohne Befestigungszubehör geliefert
- Kunde schneidet Schiene auf gewünschte Länge zu
- Optional Soft-Close Mechanismus
*Mit einem Balken lassen sich die Schienenspur versetzen und somit Türen mit einer Dicke von 32 mm bis 40 mm verwenden
Hinweise:
- Empfohlene Befestigung : M5-Muttern (am besten selbstsichernd) für den Wagen, 4 mm Holzschrauben für die Tür
- Nur zur Wand-/Seitenmontage
- Das Gewicht muss gleichmäßig über die Wagen verteilt sein. Zur Gewährleistung der Stabilität sind mindestens 2 Wagen pro Tür zu verwenden
Werkstoff - Weichstahl mit hell verzinkter Oberfläche
W = Gewicht