
The Accuride DZ0115 mounting bracket is used in conjunction with our range of DA0115RC linear drawer slides.
- Use with DA0115RC track and recirculating ball carriages
- Maximum door weight 130kg
- 3 bracket options for door thicknesses up to 40mm
- Brackets supplied as a pair, no fixings included
- Customer cuts track to length
- Optional soft-close mechanism
W = Weight of slide (kg)
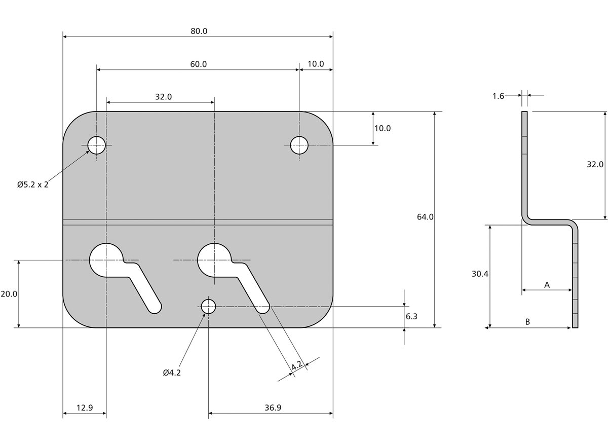
SBA064 uses a support beam to offset the track and allow free movement of doors 32mm - 40mm thick.
Notes:
- Fixing recommendation: M5 nuts to carriage (Nyloc recommended). 4mm wood screws to door
- For wall/side mounting only
- Distribute weight evenly across carriages. Use at least 2 carriages/brackets per door for stability
- Customer supplies floor guide
Material - Mild Steel
Finish - Zinc Plate & Passivate