Cable Ties Push Fixing
Cable Ties Push Fixing

Cable Ties Push Fixing

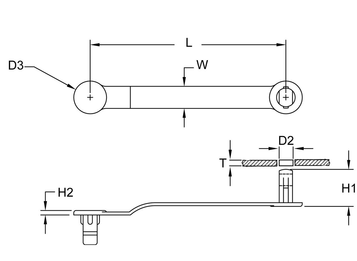
Push Fixing Cable Ties have an integral mounting device enabling cables to be secured to a panel without the need for additional fixing.

D1 = Max bundle diameter.

Materials - Polypropylene
 

Are you looking for further information, samples, CAD files or prices?

Please contact our customer service team or use the "Request Samples" button next to the product variations below.

Drawings and images are for reference only and should not be used for product specification. For new applications we recommend that you carry out assembly tests using samples supplied by us.

Dimension guide

Click the thumbnail to enlarge
Download Dimension Guide
Cable Ties Push Fixing dimension guide

Product Variations

Code Description D1 D2 D3 H1 H2 L W T
CAT270 Push Fixing 9.5 6.4 11.2 12.7 1.5 44.5 7.5 0.8 - 2.4 Request Free Samples
CAT271 Push Fixing 15.9 6.4 11.2 3 12.7 66.7 7.5 0.8 - 2.4 Request Free Samples

All dimensions are mm unless specified.

Back To Top