
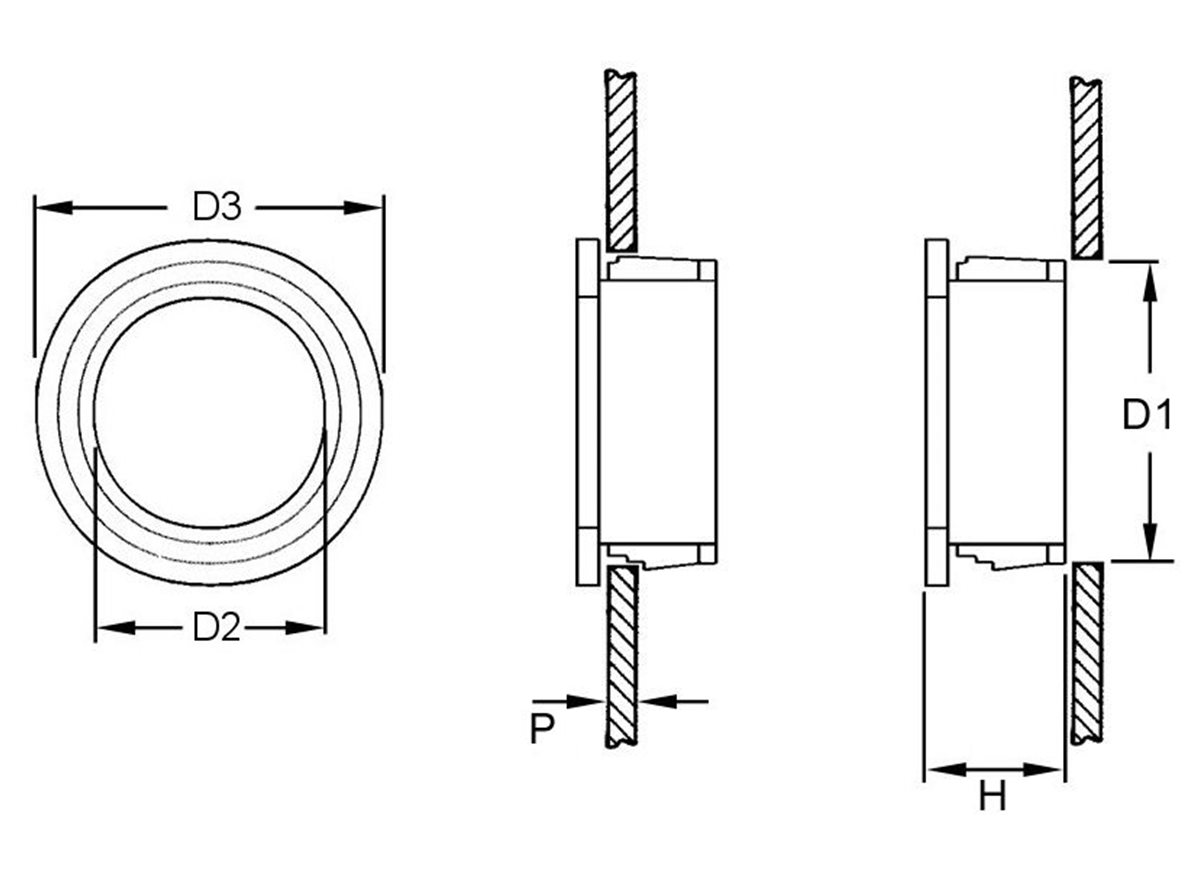
Heyco kurze Kabeldurchführungen mit einer Verriegelungsstufe für Plattendicken bis zu 1,6 mm. Montagelochdurchmesser von 4,7 mm bis 25,4 mm.
• Für Plattenstärken bis 1,6 mm
• Beanspruchen durch ihre geringe Tiefe weniger Platz in Ihrer Anwendung
• Isolieren Durchführungsbuchsen und verringern ihren Abstand (Mindestabstand: 3,2 mm
• Isolieren Drähte und Kabel
• Verriegelung rastet im Loch ein
Werkstoff - Nylon 6/6
Brandklasse: 94V-2
Temperaturbereich: -18°C bis 105 °C
Zertifizierungen:
• Anerkannt unter dem Komponentenprogramm „Component Program of Underwriters’ Laboratories“, Datei E15331
• & „Canadian Standards Association“, Datei 8919