Kwik Nut Fasteners
Kwik Nut Fasteners
Quick Nut Assembly
Quick Nut Assembly
NUT012 Kwik Nut Fasteners
NUT012 Kwik Nut Fasteners

Gallery


Kwik Nut Fasteners slide 1
Kwik Nut Fasteners slide 2
Kwik Nut Fasteners slide 3

Kwik Nut Fasteners

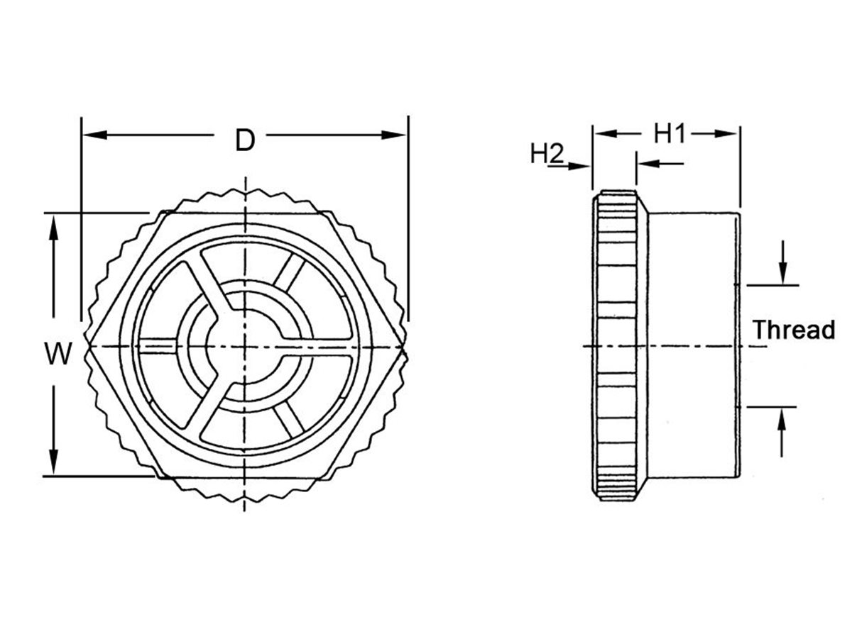
In contrast to conventional nuts, Kwik Nuts are fitted by pushing down the length of the thread and are tightened as appropriate. Kwik Nut fasteners are lightweight, easy to handle and have a larger across flats (W dimension) than conventional nuts, thus providing a larger bearing surface.

Typical applications include electronic application, automotive and air conditioning/ventilation.

Materials - Nylon 6
Typical Colours - Black

Are you looking for further information, samples, CAD files or prices?

Please contact our customer service team or use the "Request Samples" button next to the product variations below.

Drawings and images are for reference only and should not be used for product specification. For new applications we recommend that you carry out assembly tests using samples supplied by us.

Dimension guide

Click the thumbnail to enlarge
Download Dimension Guide
Kwik nut fasteners dimensional linedrawing guide in black and white

Product Variations

Code Description Thread D H1 H2 W
NUT010 Push-On Nut M4 M4 9.4 4.7 1.5 8.0 Request Free Samples
NUT011 Push-On Nut M5 M5 11.7 5.8 2.0 10.0 Request Free Samples
NUT012 Push-On Nut M6 M6 15.0 6.9 2.5 13.0 Request Free Samples

All dimensions are mm unless specified.

Back To Top