Möbelbeschläge & Wohnraumlösungen

Kwik Nut Fasteners
Kwik Nut Fasteners
Quick Nut Assembly
Quick Nut Assembly

Gallerie


Kwik-Nuts slide 1
Kwik-Nuts slide 2

Kwik-Nuts

Anders als Standardmuttern werden Kwik-Nuts die gesamte Länge des Gewindes heruntergedrückt, und dann mit einer 90° Drehung festgezogen.

Sie sind leichtgewichtig, einfach anzuwenden und haben eine größere Schlüsselweite (SW) als herkömmliche Muttern.

Typische Anwendungen: Elektronikanlagen, Kraftfahrzeuge, Klimaanlagen

Werkstoff - Nylon 6
Standardfarbe - Schwarz

 

Interessieren Sie sich für weitere Informationen, Muster oder CAD Dateien?

Dann kontaktieren Sie doch unseren Kundenservice oder benutzen den „ Muster Anfragen“-Knopf in der Produkttabelle.

Zeichnungen und Bilder dienen nur als Referenz und sollten nicht zur Produktspezifikation verwendet werden. Bei neuen Anwendungen empfehlen wir, mit den von uns gelieferten Mustern Montagetests durchzuführen.

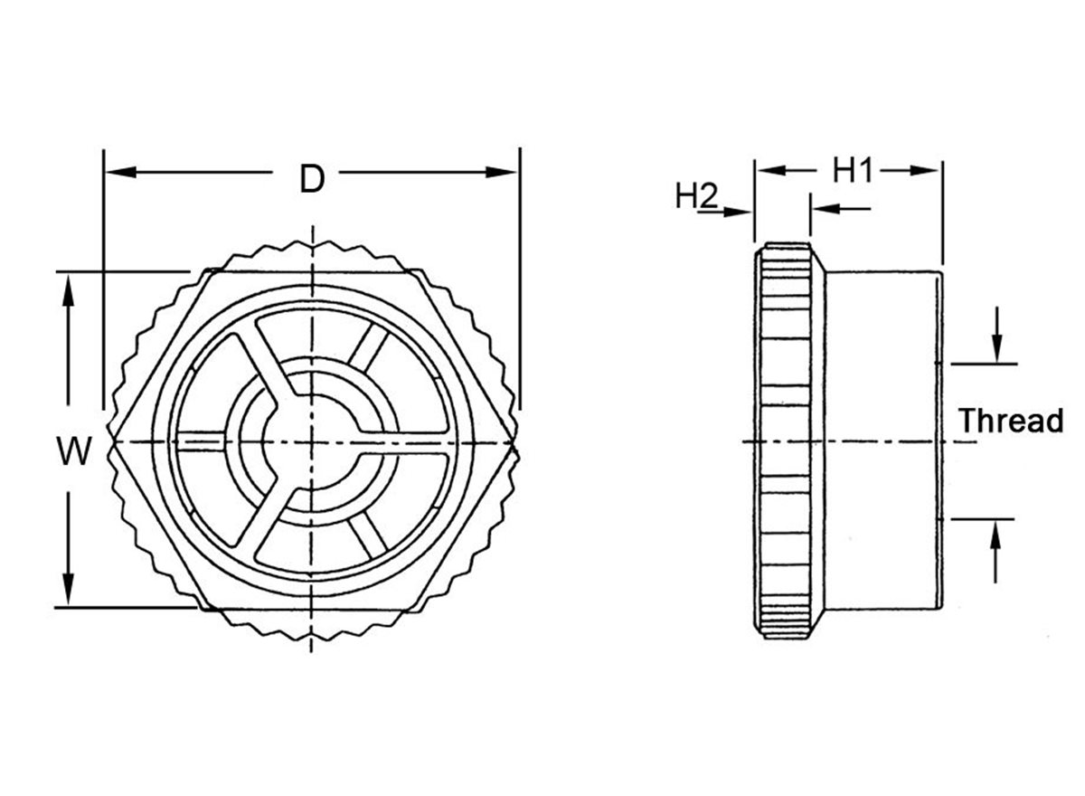
Maßangaben

Zum Vergrößern auf die Miniaturansicht klicken
Leitfaden für Abmessungen Herunterladen
Kwik-Nuts dimension guide

Varianten

Art.-Nr. Bezeichnung Thread D H1 H2 W
NUT010 Kwik-Nuts M4 9.4 4.7 1.5 8.0 Muster anfragen
NUT011 Kwik-Nuts M5 11.7 5.8 2.0 10.0 Muster anfragen
NUT012 Kwik-Nuts M6 15.0 6.9 2.5 13.0 Muster anfragen

Alle Abmessungen sind in mm, sofern nicht anders angegeben.

Zurück zum Anfang