
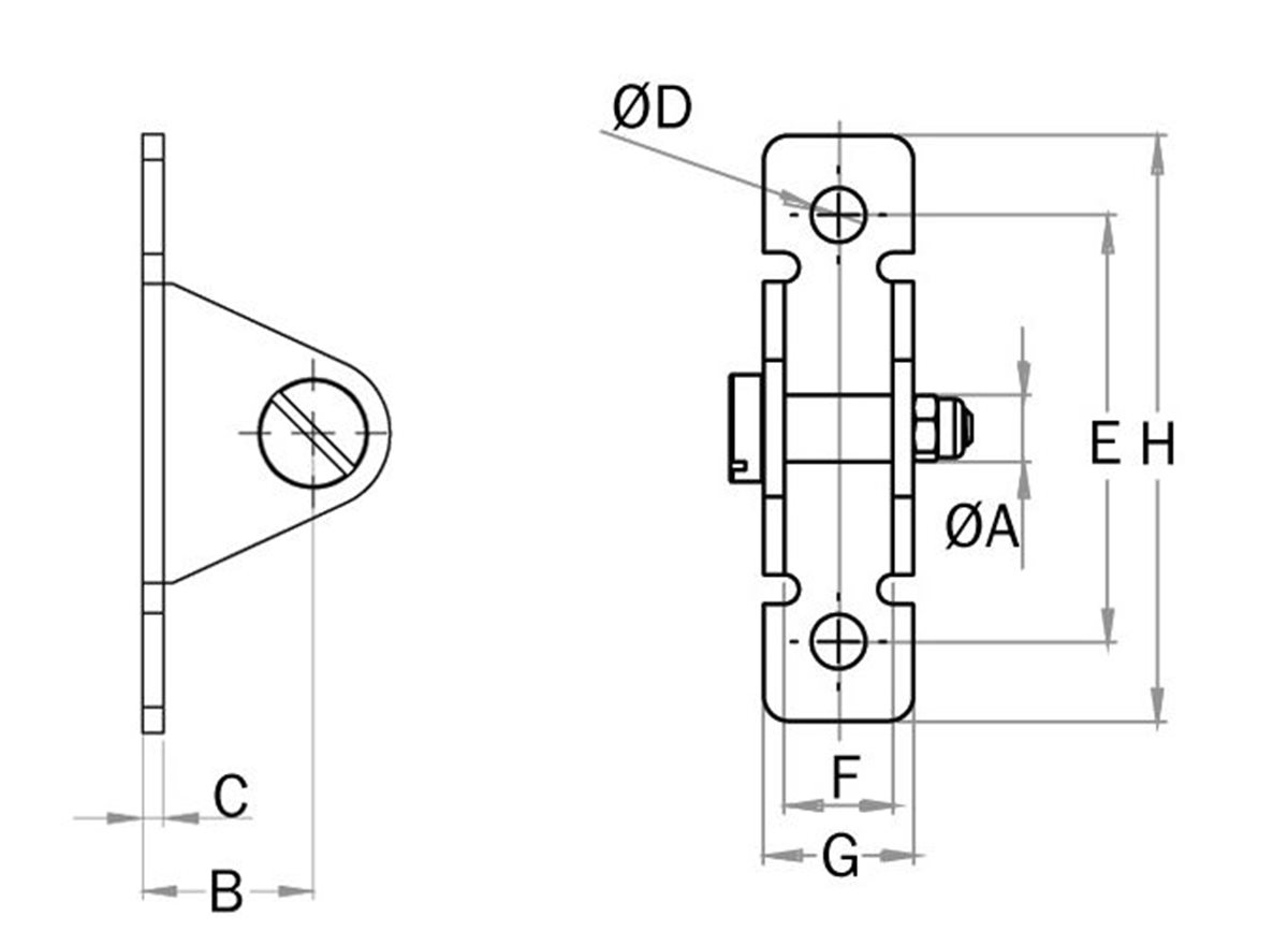
Diese Lagerschuh-Beschläge werden zusammen mit unseren Endbeschlägen verwendet, wodurch einfache Montagemöglichkeiten für unsere Gasfedern entstehen.
Die Löcher in den Beschlägen sind so gebohrt, dass sie eine Vielzahl von Befestigungsarten zulassen, was es einfacher macht diese mit Hilfe von Schrauben oder Dübeln an Holz- und Stahlrahmen zu fixieren. Sie wurden so entwickelt dass sie Befestigungen unter der DIN/ISO Norm unterstützen.
Werktoss - Flussstahl