Möbelbeschläge & Wohnraumlösungen

PVC Closed Grommets
PVC Closed Grommets

PVC Tüllen - Geschlossen

Diese PVC Tüllen eignen sich ideal zum Schutz für Kabel und Rohre innerhalb von Blechverbindungen. Sie besitzen ein ausgezeichnetes Isolationsvermögen und tragen zur Vibrationsverringerung bei.

Aus weichem PVC hergestellt sind diese Tüllen in Shore Härten von 80 sowie 65 erhältlich.

Typische Anwendungen: Haushaltsgeräte, Kraftfahrzeuge

Werkstoff - PVC
Standardfarbe - Schwarz

 

Interessieren Sie sich für weitere Informationen, Muster oder CAD Dateien?

Dann kontaktieren Sie doch unseren Kundenservice oder benutzen den „ Muster Anfragen“-Knopf in der Produkttabelle.

Zeichnungen und Bilder dienen nur als Referenz und sollten nicht zur Produktspezifikation verwendet werden. Bei neuen Anwendungen empfehlen wir, mit den von uns gelieferten Mustern Montagetests durchzuführen.

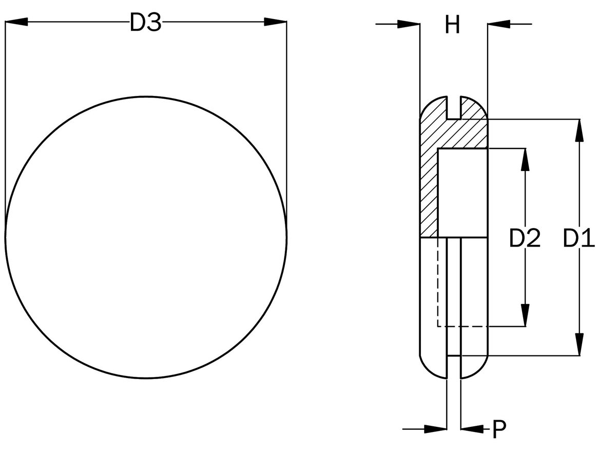
Maßangaben

Zum Vergrößern auf die Miniaturansicht klicken
Leitfaden für Abmessungen Herunterladen
PVC Tüllen - Geschlossen dimension guide

Varianten

Art.-Nr. Bezeichnung D1 P D2 H D3
GR0093 PVC Tüllen - Geschlossen 6.0 1.7 3.0 4.7 8.5 Muster anfragen
GR0094 PVC Tüllen - Geschlossen 7.2 1.7 5.0 4.4 10.2 Muster anfragen
GR0095 PVC Tüllen - Geschlossen 10.0 1.7 6.3 6.3 13.3 Muster anfragen
GR0096 PVC Tüllen - Geschlossen 10.9 2.3 7.8 7.8 15.5 Muster anfragen
GR0097 PVC Tüllen - Geschlossen 11.0 3.0 7.8 9.0 15.5 Muster anfragen
GR0098 PVC Tüllen - Geschlossen 13.9 3.0 10.5 6.4 19.5 Muster anfragen
GR0099 PVC Tüllen - Geschlossen 20.0 1.7 15.5 6.1 23.7 Muster anfragen
GR0100 PVC Tüllen - Geschlossen 25.1 1.5 18.9 7.2 29.9 Muster anfragen
GR0101 PVC Tüllen - Geschlossen 31.7 1.5 25.0 7.8 38.1 Muster anfragen

Alle Abmessungen sind in mm, sofern nicht anders angegeben.

Zurück zum Anfang