Möbelbeschläge & Wohnraumlösungen

Unterlegscheiben - Sattelscheiben slide 1
Unterlegscheiben - Sattelscheiben slide 1
Saddle Washers Application
Saddle Washers Application
Unterlegscheiben - Sattelscheiben slide 3
Unterlegscheiben - Sattelscheiben slide 3

Gallerie


Unterlegscheiben - Sattelscheiben slide 1
Unterlegscheiben - Sattelscheiben slide 2
Unterlegscheiben - Sattelscheiben slide 3

Unterlegscheiben - Sattelscheiben

Sattelscheiben sind eine effiziente Methode, um Rohre an glatten Oberflächen zu fixieren ohne das Rohr zu verschweißen oder zu verformen. Sie sind einfach an- und abzumontieren.

Typische Anwendungen: Schauregale, Fernsehständer, Kindersitze

Werkstoff - Nylon
Standardfarbe - Natur

Interessieren Sie sich für weitere Informationen, Muster oder CAD Dateien?

Dann kontaktieren Sie doch unseren Kundenservice oder benutzen den „ Muster Anfragen“-Knopf in der Produkttabelle.

Zeichnungen und Bilder dienen nur als Referenz und sollten nicht zur Produktspezifikation verwendet werden. Bei neuen Anwendungen empfehlen wir, mit den von uns gelieferten Mustern Montagetests durchzuführen.

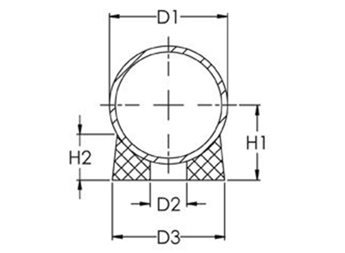
Maßangaben

Zum Vergrößern auf die Miniaturansicht klicken
Leitfaden für Abmessungen Herunterladen
Unterlegscheiben - Sattelscheiben dimension guide

Varianten

Art.-Nr. Bezeichnung D1 D2 D3 H1 H2
SAW001 Rohrverbinder 12 - 14 4.2 13 8.2 - 9.2 5.5 Muster anfragen
SAW002 Rohrverbinder 12 - 14 5.2 13 8.2 - 9.2 5.5 Muster anfragen
SAW003 Rohrverbinder 15 - 17 5.0 16 9.9 - 10.9 6.8 Muster anfragen
SAW004 Rohrverbinder 18 - 20 5.2 19 11.7 - 12.7 8.0 Muster anfragen
SAW006 Rohrverbinder 21 - 23 5.2 22 13.5 - 14.5 9.0 Muster anfragen
SAW005 Rohrverbinder 18 - 20 6.2 19 11.7 - 12.7 8.0 Muster anfragen
SAW007 Rohrverbinder 21 - 23 6.2 22 13.5 - 14.5 9.0 Muster anfragen
SAW008 Rohrverbinder 24 - 26 6.2 25 15.1 - 16.1 10.0 Muster anfragen
SAW009 Rohrverbinder 24 - 26 8.3 25 15.1 - 16.1 10.0 Muster anfragen
SAW010 Rohrverbinder 27 - 29 6.2 28 16.8 - 17.8 11.0 Muster anfragen
SAW011 Rohrverbinder 27 - 29 8.3 28 16.8 - 17.8 11.0 Muster anfragen
SAW012 Rohrverbinder 30 - 34 8.3 32 18.4 - 20.4 12.0 Muster anfragen
SAW013 Rohrverbinder 30 - 34 10.4 32 18.4 - 20.4 12.0 Muster anfragen
SAW014 Rohrverbinder 50 - 60 6.6 40 55.0 - 65.0 13.0 Muster anfragen
SAW015 Rohrverbinder 50 - 60 16.5 40 55.0 - 65.0 12.0 Muster anfragen
SAW016 Rohrverbinder 50 - 60 10.4 40 55.0 - 65.0 14.0 Muster anfragen

Alle Abmessungen sind in mm, sofern nicht anders angegeben.

Zurück zum Anfang