
Accuride 2132 Teleskopauszug sind mit einer Frontschnelltrennung ausgestattet. Zudem können sie durch die Rastung in geschlossener Position nur mit zusätzlichem Kraftaufwand geöffnet werden, wodurch sie für mobile Anwendungen verwendet werden können. Zum beispiel kommen sie für Werkzeugkisten und Arbeitsstationen in Frage.
Der Einstellnocken für Schubladen vereinfacht die Montage, da er ein exaktes vertikales Verstellen der schubladenfront erlaubt.
- Lastwert bis 35/50kg - Niedrige Belastungen
- 75% Teilauszug
- 12,7mm Schienendicke (14mm mit Montagewinkel)
- Optionaler Aufsteckwinkel für Boden- bzw. Plattformmontage
- Frontschnelltrennung
- Rastung in geschlossener Position
- Einstellnocken für Schublade (3,2mm)
Hinweise:
- Empfohlene Befestigung: Schraube M4/ Holzschraube 4mm
- Max. Kopfhöhe 2,5mm/Ø9,6mm
- Verkauf in Paaren
- Horizontalmontage nicht empfohlen
Werkstoff - Flussstahl
Oberflächenbehandlung - Elektroverzinkt und hell passiviert (DZ)
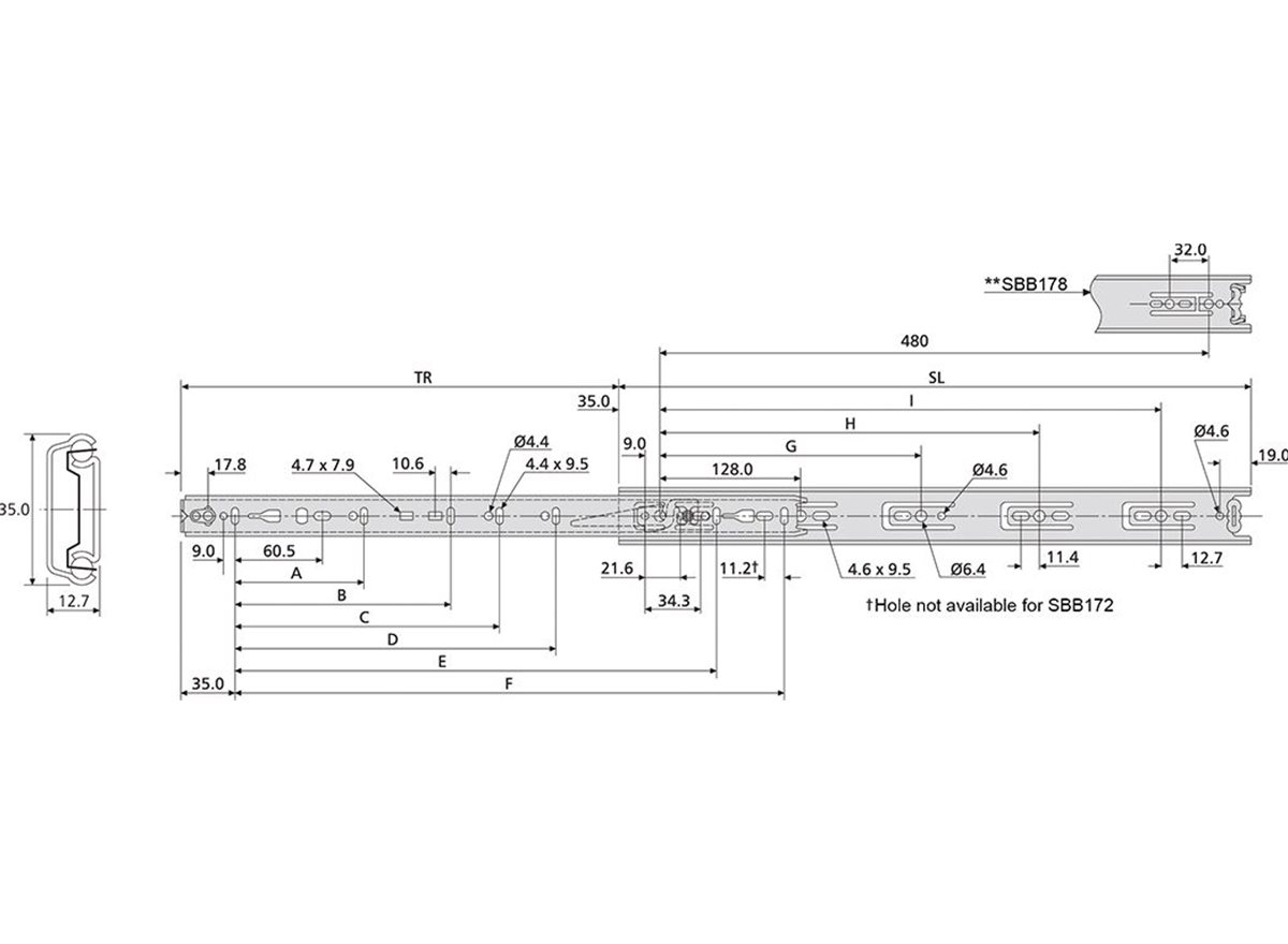
SL = Schlittenlänge
TR = Führungsschienenlänge
W = Gewicht (kg) - pro Schienenpaar
L1 = Schienentragkräfte (kg), bei 10,000 Prüfungszyklen
L2 = Schienentragkräfte (kg), bei 80,000 Prüfungszyklen