
Die Accuride 2728 Schubladenschienen aus Edelstahl eignen sich für Anwendungen bei denen eine Korrosionsgefahr besteht. Sie verfügen über eine Einrastfunktion in geschlossener Position, die das versehentliche Öffnen durch Verschieben, des Schubladenelementes verhindert.
- Hochwertiger Edelstahl
- Lastwert bis 20kg - Niedrige Belastungen (80,000 Prüfungszyklen)
- 75% Teilauszug
- 9,5mm Schienendicke
- Rastung in geschlossener Position
- Ideal für Umgebungen, wo Baustahl korrodieren könnte
- Geeignet für Flachmontage
Hinweise:
- Empfohlene Befestigung: Schraube M4/ Holzschraube 4mm
- Max. Kopfhöhe 2,5mm/Ø9,6mm
- Bei Flachmontage verringert sicher der Lastwert um 25% des vertikalen Lastwertes
- Falls nicht anders angegeben, sind die genannten Tragkräfte die maximal erreichbaren, bei einem Paar seitlich montierten Führungen mit 450mm Schienenabstand.
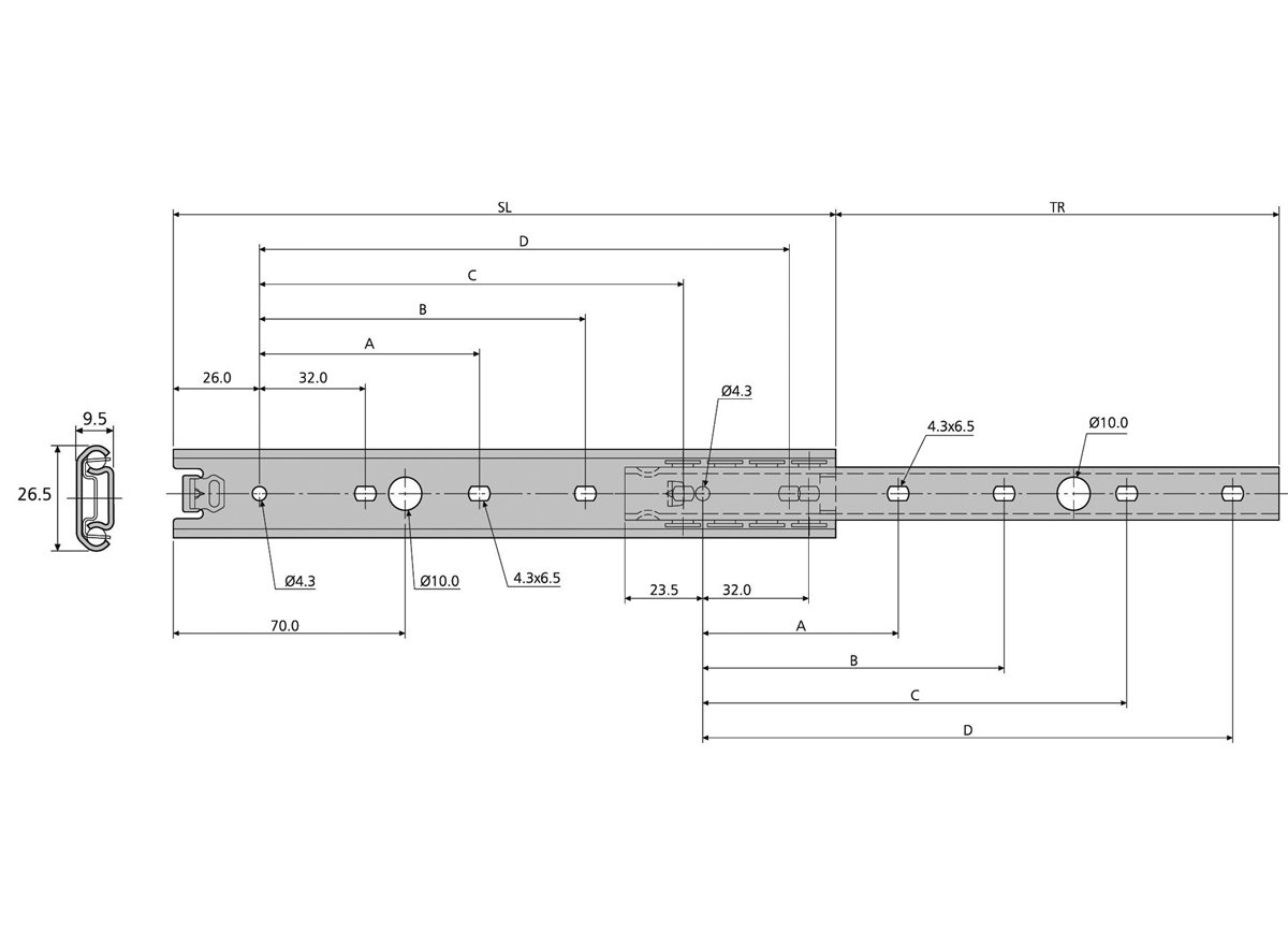
Werkstoff - Edelstahl (DS)
SL = Schlittenlänge
TR (+ oder - 3) = Führungsschienenlänge
W = Gewicht (kg) - pro Schienenpaar
L = Schienentragkräfte (kg) - pro Schienenpaar